Залиште свій номер и ми Вам зателефонуємо
Залишити заявку
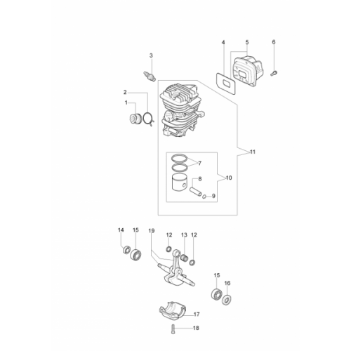
Шайба к бензопиле OLEO-MAC 937, 941С, EFCO 137, 141 оригинальная запасная часть произведена компанией EMAK.
Компания EMAK выпускает моторный инструмент под марками OLEO-MAC и EFCO
937, 941, 137, 141 ►схема -2 ► номер детали - 12.
Наш магазин для мастеров может предложить продукцию любого ценового диапазона, от самых дорогих оригинальных запчастей до бюджетных заменителей, а также запасные части высшего качества. с доступными ценами.
Производитель компания EMAK – Италия.
Качество: оригинал.
Шайба EMAK шатуна бензопилы OM GS-35, EF MT-350
- Производители EMAK
- Модель:50110043R
- Наличие:Нет в наличии
-
0.00 грн
