Залиште свій номер и ми Вам зателефонуємо
Залишити заявку
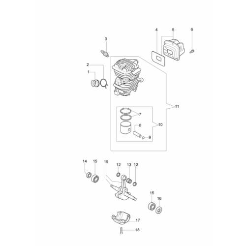
Поршневая бензопила OLEO-MAC 937, EFCO 137 оригинальная запасная часть произведенная компанией EMAK.
Компания EMAK выпускает моторный инструмент под марками OLEO-MAC и EFCO
937, 941, 137 , 141 ►схема -2 ► номер детали - 11.
Наш магазин для мастеров может предложить продукцию любого ценового диапазона, от самых дорогих оригинальных запчастей до бюджетных заменителей, а также запасные части высшего качества с доступными ценами.< /p>
Производитель компания EMAK - Италия.
Качество: оригинал.
Инструкция по установке нового цилиндра бензопилы и мотокосы
- Проверьте, что цилиндр, который вы планируете устанавливать, подходит именно к вашей модели бензопилы или мотокосы.
- Проверьте и почистите карбюратор. Очень важно, уберите старое топливо из топливного бака.
- Установите новый топливный фильтр. Если вы используете старый топливный фильтр, удалите из него все остатки старого топлива.
- очистите картер. Продувайте картер с компрессора. Внимательно проверьте, чтобы картер был чист.
- Добавьте немного смазки на подшипники. Старайтесь использовать максимально качественную смазку.
- Протрите новый цилиндр тряпкой с растворителем и продувайте воздухом из компрессора.
- Установите кольца на поршень отметками вверх.
- Смазать палец поршня и установить поршень так, чтобы стрелочка на нем была направлена в направлении выхлопа.
- Очень осторожно установите стопорные кольца, не сгибайте и не скручивайте их. < li>Смазать цилиндр и поршневые кольца.
- Осторожно установите цилиндр. Используйте приспособление для сжатия колец.
- Всегда используйте новую прокладку при замене цилиндра бензопилы или мотокосы. В некоторых моделях используется герметик.
- Затяните винты с усилием, указанным Производителем.
- Осторожно проверните двигатель. Убедитесь, что он вращается свободно и без помех.
- Для первой заправки сделайте топливную смесь в соотношении 25 - 1 и запустите бензопилу или мотокосу.
- Настройте карбюратор и протестируйте инструмент в работе.
- /li>
Обратите внимание. Несоблюдение пунктов этой инструкции может привести к очередному выходу из строя бензопилы или мотокосы.
Поршневая EMAK бензопилы OM 937, EF 137, 35мм
- Производители EMAK
- Модель:50182005
- Наличие:Нет в наличии
-
0.00 грн
